| Estado de Disponibilidad: | |
|---|---|
| Cantidad: | |
RONWIN
En los campos de la transmisión y el transporte de energía industrial, la estabilidad y durabilidad de los equipos son clave para garantizar la eficiencia de la producción. Estamos orgullosos de presentar el conjunto de tapa de extremo de cojinete de acero para rodillo transportador. Diseñados específicamente para aplicaciones exigentes con rodillos de acero, son la solución ideal para reemplazar unidades de rodamientos de plástico, ofreciendo una robustez incomparable y una amplia aplicabilidad.
Este producto es una solución de rodamientos completa y lista para instalar, compuesta precisamente por tres componentes principales.
Carcasa de acero estampado: Formado a partir de una placa de acero de alta resistencia, es estructuralmente robusto y resiste eficazmente el impacto y la deformación.
Tapa de extremo sellada: Previene eficazmente la entrada de polvo y contaminantes, extendiendo la vida útil del rodamiento interno.
Rodamiento de bolas de precisión: Garantiza una rotación suave, silenciosa y de baja fricción del rodillo, proporcionando una excelente precisión de rotación.
La construcción totalmente de acero proporciona una resistencia mecánica extremadamente alta, lo que le permite soportar cargas radiales y axiales que superan con creces las de las unidades de rodamientos de plástico. Ya sea bajo cargas pesadas continuas o en entornos inevitables con golpes y vibraciones, permanece estable, evitando eficazmente el tiempo de inactividad causado por fallas en la carcasa.
Diseñado para soportar cargas más pesadas, gracias a su robusta carcasa de acero y su rodamiento interno de bolas de precisión. Cumple sin esfuerzo las demandas del manejo de materiales en líneas transportadoras de servicio pesado y diversas aplicaciones de rodillos motorizados, brindando un soporte confiable.
El material de acero lo hace mucho menos sensible a las fluctuaciones de temperatura en comparación con el plástico. Mantiene un rendimiento estable tanto en temperaturas ambiente altas como bajas, adecuado para diversas condiciones extremas donde los cojinetes de plástico pueden ablandarse o volverse quebradizos, ampliando así los rangos de aplicación de los equipos.
Esta unidad de rodamiento está meticulosamente diseñada para ser perfectamente compatible con dos especificaciones industriales comúnmente utilizadas para rodillos de acero, ofreciendo opciones de configuración flexibles.
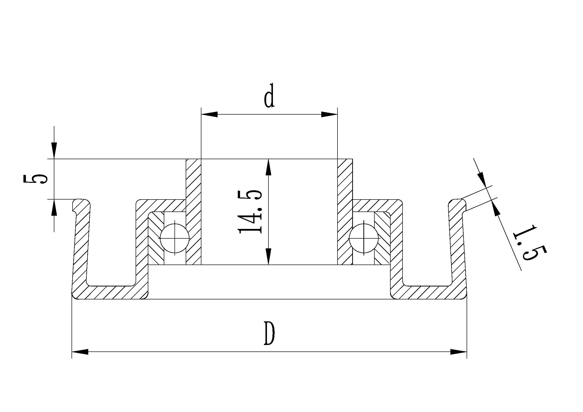
Dibujo 2D

El espesor de la pared del tubo del rodillo y el eje correspondiente se muestran en la tabla de especificaciones a continuación.
| diámetro de salida del tubo (mm) | espesor de pared del tubo (mm) | diámetro del eje (mm) | materiales |
| Φ50 | 1,2/1,5/2,0 | Φ12/Φ15 | acero al carbono, acero inoxidable |
| Φ57 | 1,5/2,0/2,5 | Φ12/Φ15 | acero al carbono, acero inoxidable |
Nota: Hay otras especificaciones disponibles para cumplir con diferentes requisitos de diseño.
Transportadores de cinta para cargas pesadas, transportadores de rodillos.
Sistemas de clasificación de almacenamiento y logística.
Maquinaria agrícola, equipos de impresión, maquinaria de embalaje.
Diversos equipos industriales que requieren rodillos de larga duración y alta carga.
Cuando su aplicación excede los límites de los rodamientos de plástico (ya sea peso, impacto o temperatura), la unidad de rodamiento de acero es la opción óptima. No es solo un componente, sino una inversión en operación continua, mantenimiento reducido y confiabilidad general mejorada** para su equipo.
¡Elija las unidades de rodamientos de acero ahora para potenciar su equipo principal con un rendimiento robusto e indestructible!
Recordatorio amistoso: antes de la instalación, asegúrese de que el espesor de la pared del rodillo cumpla con los requisitos para garantizar suficiente resistencia de soporte y enganche de rosca.
Imágenes



En los campos de la transmisión y el transporte de energía industrial, la estabilidad y durabilidad de los equipos son clave para garantizar la eficiencia de la producción. Estamos orgullosos de presentar el conjunto de tapa de extremo de cojinete de acero para rodillo transportador. Diseñados específicamente para aplicaciones exigentes con rodillos de acero, son la solución ideal para reemplazar unidades de rodamientos de plástico, ofreciendo una robustez incomparable y una amplia aplicabilidad.
Este producto es una solución de rodamientos completa y lista para instalar, compuesta precisamente por tres componentes principales.
Carcasa de acero estampado: Formado a partir de una placa de acero de alta resistencia, es estructuralmente robusto y resiste eficazmente el impacto y la deformación.
Tapa de extremo sellada: Previene eficazmente la entrada de polvo y contaminantes, extendiendo la vida útil del rodamiento interno.
Rodamiento de bolas de precisión: Garantiza una rotación suave, silenciosa y de baja fricción del rodillo, proporcionando una excelente precisión de rotación.
La construcción totalmente de acero proporciona una resistencia mecánica extremadamente alta, lo que le permite soportar cargas radiales y axiales que superan con creces las de las unidades de rodamientos de plástico. Ya sea bajo cargas pesadas continuas o en entornos inevitables con golpes y vibraciones, permanece estable, evitando eficazmente el tiempo de inactividad causado por fallas en la carcasa.
Diseñado para soportar cargas más pesadas, gracias a su robusta carcasa de acero y su rodamiento interno de bolas de precisión. Cumple sin esfuerzo las demandas del manejo de materiales en líneas transportadoras de servicio pesado y diversas aplicaciones de rodillos motorizados, brindando un soporte confiable.
El material de acero lo hace mucho menos sensible a las fluctuaciones de temperatura en comparación con el plástico. Mantiene un rendimiento estable tanto en temperaturas ambiente altas como bajas, adecuado para diversas condiciones extremas donde los cojinetes de plástico pueden ablandarse o volverse quebradizos, ampliando así los rangos de aplicación de los equipos.
Esta unidad de rodamiento está meticulosamente diseñada para ser perfectamente compatible con dos especificaciones industriales comúnmente utilizadas para rodillos de acero, ofreciendo opciones de configuración flexibles.
Dibujo 2D

El espesor de la pared del tubo del rodillo y el eje correspondiente se muestran en la tabla de especificaciones a continuación.
| diámetro de salida del tubo (mm) | espesor de pared del tubo (mm) | diámetro del eje (mm) | materiales |
| Φ50 | 1,2/1,5/2,0 | Φ12/Φ15 | acero al carbono, acero inoxidable |
| Φ57 | 1,5/2,0/2,5 | Φ12/Φ15 | acero al carbono, acero inoxidable |
Nota: Hay otras especificaciones disponibles para cumplir con diferentes requisitos de diseño.
Transportadores de cinta para cargas pesadas, transportadores de rodillos.
Sistemas de clasificación de almacenamiento y logística.
Maquinaria agrícola, equipos de impresión, maquinaria de embalaje.
Diversos equipos industriales que requieren rodillos de larga duración y alta carga.
Cuando su aplicación excede los límites de los rodamientos de plástico (ya sea peso, impacto o temperatura), la unidad de rodamiento de acero es la opción óptima. No es solo un componente, sino una inversión en operación continua, mantenimiento reducido y confiabilidad general mejorada** para su equipo.
¡Elija las unidades de rodamientos de acero ahora para potenciar su equipo principal con un rendimiento robusto e indestructible!
Recordatorio amistoso: antes de la instalación, asegúrese de que el espesor de la pared del rodillo cumpla con los requisitos para garantizar suficiente resistencia de soporte y enganche de rosca.
Imágenes


