| Estado de Disponibilidad: | |
|---|---|
| Cantidad: | |
BE92
RONWIN
HS Code: 8431390000
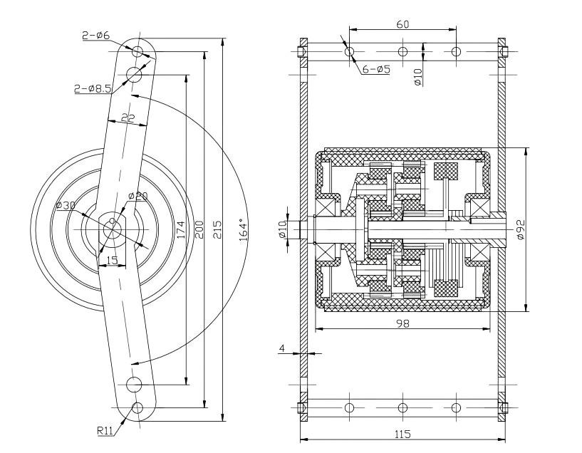
Rodillo de freno externo de servicio mediano/pesado para paletas
Los reductores/controladores de velocidad en estanterías por gravedad, también conocidos como rodillos de freno, evitan que la gravedad se acelere al deslizar las paletas de carga, ofrecen un movimiento constante y suave de las paletas en las estanterías y protegen la seguridad de los operadores y las mercancías. Se autoajusta a pesos variados, fuerza de frenado constante, sin mantenimiento y sin consumo de energía.
La principal diferencia entre el rodillo amortiguador BE92 y el modelo BE120 radica en la coincidencia inversa de las dimensiones físicas y la capacidad de carga, es decir, el BE92 tiene un diámetro exterior más pequeño pero una mayor capacidad de carga, mientras que el BE120 tiene un diámetro exterior más grande pero un límite de carga más bajo.
Las diferencias específicas son las siguientes:
Dimensiones:
BE92: El diámetro exterior suele ser de 92 mm y pertenece a la categoría de diámetro pequeño.
BE120: El diámetro exterior suele ser de 120 mm y pertenece a la categoría de diámetro grande.
Capacidad de carga:
BE92: Adecuado para mercancías pesadas que pesan entre 1.000 y 1.500 kg (entre 1,0 y 1,5 toneladas).
BE120: Adecuado para mercancías de peso medio que pesan entre 200 y 1000 kg (0,2 y 1,0 toneladas).


Características del BE92 y lógica de selección:
Mayor aprovechamiento del espacio: aunque el BE92 tiene un diámetro más pequeño (lo que normalmente significa una altura de instalación más baja), puede transportar mercancías más pesadas.
Diferencias estructurales: esta característica de 'tamaño pequeño, gran resistencia' generalmente proviene de diferencias en el mecanismo de amortiguación interno (por ejemplo, diseños centrífugos o de almohadillas de fricción). Para soportar una carga de 1,5 toneladas, la fuerza de frenado interna y la resistencia estructural del BE92 están reforzadas.
Consideraciones de instalación: debido a que los diámetros exteriores difieren, las posiciones de los orificios de montaje y el espaciado de los rodillos en el bastidor por gravedad no son intercambiables entre los dos modelos. Si la mercancía pesa alrededor de 1000 kg, los dos modelos pueden superponerse; sin embargo, para garantizar un control de velocidad adecuado, se recomienda seguir estrictamente el rango nominal; evite sobrecargar el BE120 o utilizar el BE92 con cargas ligeras, lo que puede causar 'pegue' debido a una resistencia excesiva.
En pocas palabras, la base principal para la selección es el peso de la mercancía: elija el BE92 de menor diámetro para mercancías pesadas y el BE120 de mayor diámetro para mercancías más ligeras.
Dimensiones y especificaciones

Accesorios

| Modelo | Peso del objeto |
| BE92/BA | 1000-1500kg |
Adecuado para palets de madera, palets de plástico, contenedores de trabajo, etc.

Solicitud

